8 (925) 663-83-63Call-центр
пн-вс: 10:00-19:00
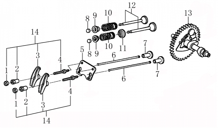
| N | Артикул | Название | Срок отгрузки | Цена | Купить |
| 1 | 140470001-0001 | Гайка контрящая | 5-7 рабочих дней | – | |
| 2 | 140490012-0001 | Гайка регулировочная | 5-7 рабочих дней | – | |
| 3 | 140460030-0001 | Коромысло клапана | 5-7 рабочих дней | – | |
| 4 | 140480012-0001 | Шпилька коромысла | 5-7 рабочих дней | – | |
| 5 | DAF003 | Направляющая толкателей клапана | 5-7 рабочих дней | 28 р. | |
| 6 | DAF015 | Толкатель клапана (штанга) | 5-7 рабочих дней | 82 р. | |
| 7 | 140690002-0001 | Тарелка толкателя клапана | 5-7 рабочих дней | 69 р. | |
| 8 | 140320001-0001 | Колпачок клапана (под коромысло) | 5-7 рабочих дней | 25 р. | |
| 9 | 140380017-0001 | Сухарь клапана | 5-7 рабочих дней | 32 р. | |
| 10 | 140340022-0001 | Пружина клапана | 5-7 рабочих дней | 31 р. | |
| 11 | DAA004 | Колпачок маслосъемный | 5-7 рабочих дней | 52 р. | |
| 12 | 500550024-0001 | Клапан, комплект 2 шт. | 5-7 рабочих дней | 477 р. | |
| 13 | 140020114-0001 | Распредвал | 5-7 рабочих дней | 1.013 р. | |
| 14 | DAF004 | Коромысло клапана, комплект | 5-7 рабочих дней | 162 р. |
| Найдено товаров: 14 |
|
8 (925) 663-83-63 Call-центр
пн-вс: 10:00-19:00
| Введите номер заказа |
| Введите номер своего заказа, что бы узнать его текущий статус. Что бы получить доступ к расширенным функциям, пройдите не сложную регистрацию. Зарегистрироваться |