Магазин запчастей для бытовой техники - Arlos
Москва
close
Выберите ваш регион
АбаканАлександровАльметьевскАнгарскАрзамасАрмавирАртемАрхангельскАстраханьАчинскБалаковоБалашихаБеларусьБелгородБердскБерезникиБийскБлаговещенскБратскБрянскВеликий НовгородВидноеВладивостокВладикавказВладимирВолгоградВолгодонскВолжскийВологдаВолховВоркутаВоронежВоскресенскВыборгГатчинаГеленджикГрозныйДедовскДербентДзержинскДзержинскийДимитровградДмитровДолгопрудныйДомодедовоДонецкЕвпаторияЕгорьевскЕкатеринбургЕлецЕссентукиЖелезногорскЖелезнодорожныйЖуковскийЗеленоградЗлатоустИвановоИвантеевкаИжевскИркутскИстраЙошкар-ОлаКазаньКалининградКалугаКаменск-УральскийКамышинКаспийскКемеровоКерчьКировКисловодскКлинКовровКоломнаКомсомольск-на-АмуреКопейскКоролёвКостромаКотельникиКрасногорскКраснодарКраснознаменскКрасноярскКурганКурскКызылЛенинск-КузнецкийЛипецкЛобняЛыткариноЛюберцыМагнитогорскМайкопМалаховкаМахачкалаМиассМоскваМурманскМуромМытищиНабережные ЧелныНазраньНальчикНаро-ФоминскНахабиноНаходкаНевинномысскНефтекамскНефтеюганскНижневартовскНижнекамскНижний НовгородНижний ТагилНовокузнецкНовокуйбышевскНовомосковскНовороссийскНовосибирскНовоуральскНовочебоксарскНовочеркасскНовошахтинскНовый УренгойНогинскНорильскНоябрьскОбнинскОдинцовоОктябрьскийОмскОрелОренбургОрехово-ЗуевоОрскПавловский ПосадПензаПервоуральскПермьПетрозаводскПетропавловск-КамчатскийПодольскПрокопьевскПсковПушкиноПятигорскРаменскоеРеутовРостов-на-ДонуРубцовскРыбинскРязаньСакиСалаватСамараСанкт-ПетербургСаранскСаратовСевастопольСеверодвинскСеверскСергиев ПосадСерпуховСимферопольСмоленскСосновый БорСочиСтавропольСтарый ОсколСтерлитамакСтупиноСургутСызраньСыктывкарТаганрогТамбовТверьТихвинТольяттиТомилиноТомскТроицкТулаТюменьУлан-УдэУльяновскУссурийскУсть-ИлимскУфаУхтаФеодосияФрязиноХабаровскХанты-МансийскХасавюртХимкиЧебоксарыЧелябинскЧереповецЧеркесскЧеховЧитаШахтыЩелковоЭлектростальЭлистаЭнгельсЮжно-СахалинскЯкутскЯлтаЯрославль
  • - бесплатно по РФ
    Автоперезвон. Работает по принципу: Вы позвонили на номер, мы сбрасываем звонок и перезваниваем через 3 секунды.
  • - по Москве
  • 8 (925) 663-83-63

Call-центр

пн-вс: 10:00-19:00

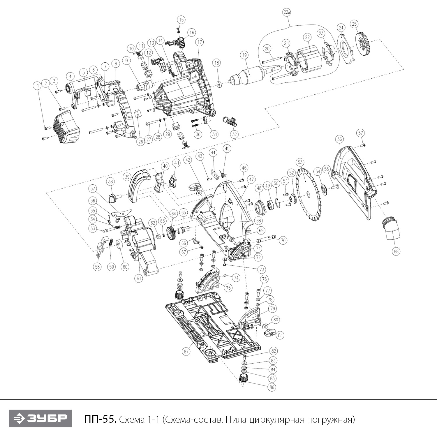
Пила циркулярная погружная ПП-55

Данная модель имеет несколько схем

NАртикулНазваниеСрок отгрузкиЦенаКупить
1 UM02-000-029 Саморез 4x19 T20 #F 92 р.
1.09 U009-607-RS0 Подшипник шариковый 607 RS (19х7х6) U009-607-RS0 для болгарок УШМ-П125-850, AGS-125-1000 286 р.
2 N000-028-966 Крышка задняя
4 N000-028-681 Ручка блокировки 189 р.
5 UM01-000-057 Винт M5x46 #F 92 р.
6 UM04-000-003 Шайба D5 #F 92 р.
8 N000-028-677 Ручка левая часть 723 р.
9 N000-028-683 Блокиратор 55 р.
10 N000-028-700 Щетка графитовая (пара) N000-028-700 для ПП-55, ПП-55Н 185 р.
11 N000-028-701 Гильза щеткодержателя 33 р.
12 N000-028-695 Корпус щеткодержателя 33 р.
13 N000-028-682 Клавиша выключателя 50 р.
14 V000-003-407 Выключатель FA2-6/2W 8(7)A 250V 5E4 252 р.
15 N000-028-705 Пружина
16 N000-028-680 Блокиратор выключателя 50 р.
17 N000-028-678 Корпус двигателя в сборе (EV8.17) 577 р.
18.1 U253-600-029 Втулка подшипника 607 резиновая U253-600-029 92 р.
19 N000-028-676 Ротор КД N000-028-676 для пил ПП-55, ПП-55Н 1.863 р.
20 N000-027-318 Саморез ST4x60
22A N000-028-699 Статор КД 1.382 р.
24 N000-028-679 Защита статора 51 р.
25 N000-028-697 Крыльчатка ротора 104 р.
26 N000-022-420 Конденсатор 0.33 uF
27 N000-025-309 Винт M5x35
31 N000-028-696 Прижим шнура
32 N000-028-703 Воротник шнура
33 N000-028-684 Штифт
34 N000-028-704 Пружина
35 N000-028-659 Пружина
37 N000-028-665 Панель
38 N000-028-672 Гайка-барашек
39 N000-028-688 Регулятор глубины 90 р.
40 N000-028-670 Блок индикаторный подъемный
41 N000-028-671 Блок индикаторный подъемный
42 N000-020-461 Болт M6x30
43 N000-027-460 Винт M5x12
44 N000-028-691 Блокиратор 57 р.
45 N000-028-692 Пружина
46 U267-160-018 Саморез 4х12
47 N000-028-686 Кожух диска левая часть 1.228 р.
48 N000-028-667 Фланец 153 р.
49 N000-028-706 Подшипник шариковый 6001-2RS (28x12х8) CGXY 202 р.
50 N000-025-212 Стопорное кольцо D28
51 UM01-000-066 Винт M5x15 T20 #F 92 р.
52 N000-028-668 Фланец прижимной внутренний D30хd12 N000-028-668 для ПП-55, ПП-55Н 168 р.
53 N000-028-693 Диск D165x20
54 N000-028-669 Фланец прижимной внешний D33хd8 N000-028-669 для пил ПП-55, ПП-55Н 150 р.
55 N000-019-403 Винт M8x20 Hex с полукруглой головкой усиленный 48 р.
56 N000-028-687 Кожух диска правая часть 1.105 р.
57 U209-500-038 Винт M4х12
58 N000-028-690 Стопор вала
59 N000-028-694 Пружина
60 N000-028-707 Подшипник шариковый 6000-2RS (26х10х8) CHYB 190 р.
61 N000-028-685 Корпус редуктора 1.026 р.
62 N000-028-702 Втулка скольжения D12хd8х8 51 р.
63 N000-028-709 Кольцо вала D8
64 N000-028-698 Шестерня D39 Z45 N000-028-698 для пил ПП-55, ПП-55Н 339 р.
65 N000-028-660 Шпиндель 173 р.
66 N000-028-673 Указатель
68 N000-028-674 Упор
70 N000-028-666 Вал 173 р.
71 N000-006-174 Винт M6x12
72 N000-006-161 Шайба D4 13 р.
73 N000-028-708 Саморез 3.5x9
74 N000-027-506 Винт M6x8
75 N000-028-663 Кронштейн угловой передний
76 N000-013-899 Винт M6x15
77 UM04-000-004 Шайба D6 92 р.
79 N000-028-664 Кронштейн задний угловой
81 N000-028-689 Винт барашек
84 N000-008-172 Шайба D8
85 N000-008-194 Шайба D8
86 N000-028-662 Ручка регулировки 22 р.
87 N000-028-661 Основание 3.681 р.
88 N000-028-675 Патрубок N000-028-675 1.631 р.
Найдено товаров: 75
1
▲ Наверх
0
8 (925) 663-83-63

Call-центр

пн-вс: 10:00-19:00

НАЙТИ ПО МОДЕЛИ
Введите номер заказа
Введите номер своего заказа, что бы узнать его текущий статус.
Что бы получить доступ к расширенным функциям, пройдите не сложную регистрацию. Зарегистрироваться