Магазин запчастей для бытовой техники - Arlos
Москва
close
Выберите ваш регион
АбаканАлександровАльметьевскАнгарскАрзамасАрмавирАртемАрхангельскАстраханьАчинскБалаковоБалашихаБеларусьБелгородБердскБерезникиБийскБлаговещенскБратскБрянскВеликий НовгородВидноеВладивостокВладикавказВладимирВолгоградВолгодонскВолжскийВологдаВолховВоркутаВоронежВоскресенскВыборгГатчинаГеленджикГрозныйДедовскДербентДзержинскДзержинскийДимитровградДмитровДолгопрудныйДомодедовоДонецкЕвпаторияЕгорьевскЕкатеринбургЕлецЕссентукиЖелезногорскЖелезнодорожныйЖуковскийЗеленоградЗлатоустИвановоИвантеевкаИжевскИркутскИстраЙошкар-ОлаКазаньКалининградКалугаКаменск-УральскийКамышинКаспийскКемеровоКерчьКировКисловодскКлинКовровКоломнаКомсомольск-на-АмуреКопейскКоролёвКостромаКотельникиКрасногорскКраснодарКраснознаменскКрасноярскКурганКурскКызылЛенинск-КузнецкийЛипецкЛобняЛыткариноЛюберцыМагнитогорскМайкопМалаховкаМахачкалаМиассМоскваМурманскМуромМытищиНабережные ЧелныНазраньНальчикНаро-ФоминскНахабиноНаходкаНевинномысскНефтекамскНефтеюганскНижневартовскНижнекамскНижний НовгородНижний ТагилНовокузнецкНовокуйбышевскНовомосковскНовороссийскНовосибирскНовоуральскНовочебоксарскНовочеркасскНовошахтинскНовый УренгойНогинскНорильскНоябрьскОбнинскОдинцовоОктябрьскийОмскОрелОренбургОрехово-ЗуевоОрскПавловский ПосадПензаПервоуральскПермьПетрозаводскПетропавловск-КамчатскийПодольскПрокопьевскПсковПушкиноПятигорскРаменскоеРеутовРостов-на-ДонуРубцовскРыбинскРязаньСакиСалаватСамараСанкт-ПетербургСаранскСаратовСевастопольСеверодвинскСеверскСергиев ПосадСерпуховСимферопольСмоленскСосновый БорСочиСтавропольСтарый ОсколСтерлитамакСтупиноСургутСызраньСыктывкарТаганрогТамбовТверьТихвинТольяттиТомилиноТомскТроицкТулаТюменьУлан-УдэУльяновскУссурийскУсть-ИлимскУфаУхтаФеодосияФрязиноХабаровскХанты-МансийскХасавюртХимкиЧебоксарыЧелябинскЧереповецЧеркесскЧеховЧитаШахтыЩелковоЭлектростальЭлистаЭнгельсЮжно-СахалинскЯкутскЯлтаЯрославль
  • - бесплатно по РФ
    Автоперезвон. Работает по принципу: Вы позвонили на номер, мы сбрасываем звонок и перезваниваем через 3 секунды.
  • - по Москве
  • 8 (925) 663-83-63

Call-центр

пн-вс: 10:00-19:00

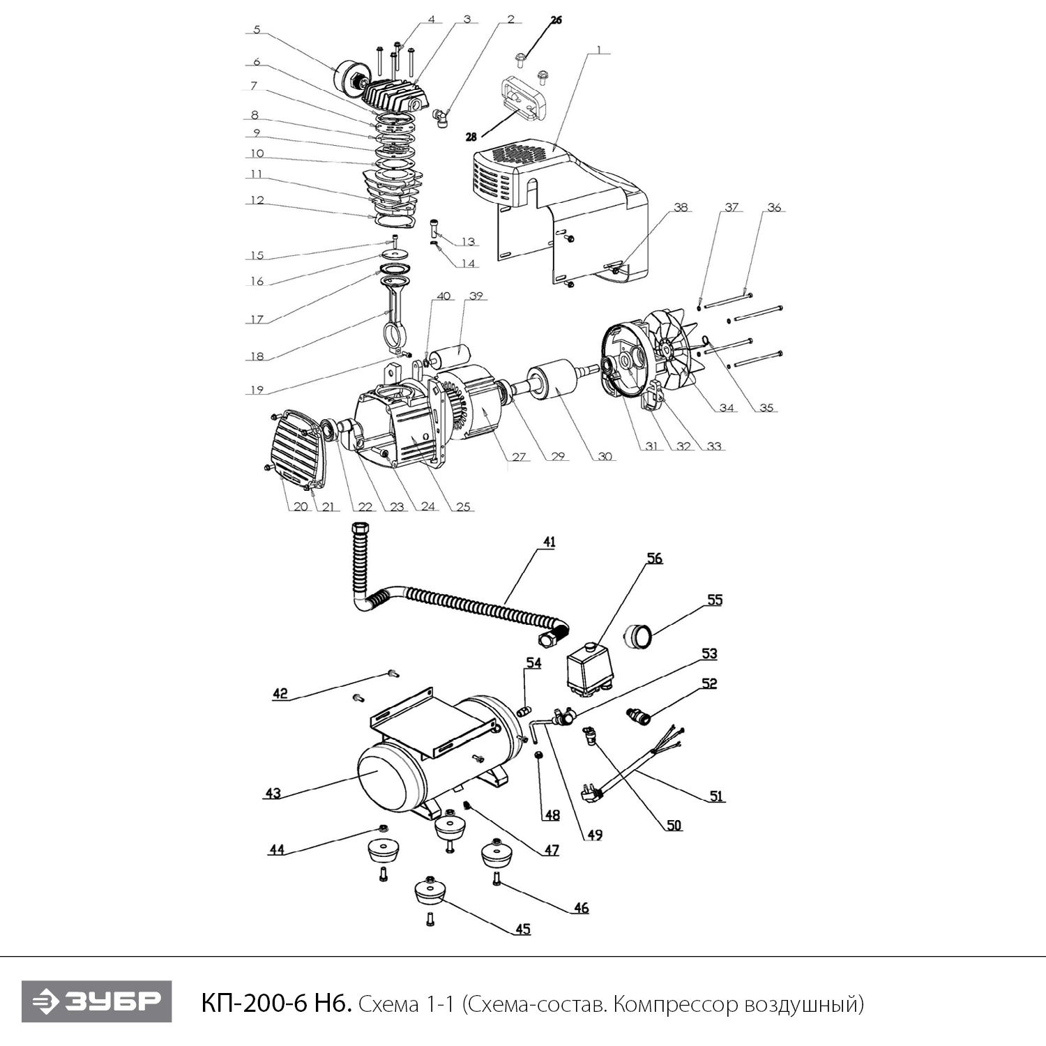
Компрессор воздушный КП-200-6 Н6

Данная модель имеет несколько схем

NАртикулНазваниеСрок отгрузкиЦенаКупить
1 N000-031-722 Кожух защитный 522 р.
2 N000-018-916 Патрубок угловой 3/8х3/8 114 р.
3 N000-031-723 Головка цилиндра 848 р.
4 N000-031-724 Болт M6х55
5 N000-031-725 Фильтр воздушный каркасный D66х54 84 р.
6 N000-031-726 Прокладка головки блока цилиндра 41 р.
7 N000-031-727 Диск клапанов 369 р.
8 N000-031-728 Прокладка алюминиевая 46 р.
9 N000-031-729 Пластина клапанная 47x10 мм 286 р.
10 N000-031-730 Прокладка диска клапанов 41 р.
11 N000-031-731 Цилиндр 907 р.
12 N000-031-732 Прокладка цилиндра 86 р.
13 N000-020-590 Болт M8x25
14 N000-018-463 Шайба пружинная D8
15 N000-014-017 Болт M5x20мм
16 N000-031-733 Шайба поршня прижимная 198 р.
17 N000-031-734 Манжета уплотнительная 64.5хd45.5х1 273 р.
18 N000-031-735 Шатун 429 р.
19 N000-025-607 Болт M5х20
20 N000-031-736 Крышка картера
22 U009-620-4R1 Подшипник шариковый 6204-2RS (47х20х14) ZYTL 1.808 р.
23 N000-031-737 Кривошип 660 р.
24 N000-013-238 Болт M8х35
25 N000-031-738 Картер коленвала
26 N000-026-230 Болт M5X14
27 N000-031-739 Статор АД в сборе с корпусом 3.642 р.
28 N000-031-740 Ручка
30 N000-031-741 Ротор АД 2.222 р.
31 U009-620-2RS Подшипник шариковый 6202-2RS (35x15x11) n/n 189 р.
33 N000-031-742 Крышка двигателя задняя 522 р.
34 N000-031-743 Крыльчатка D50 87 р.
35 N000-027-676 Кольцо стопорное D13
36 N000-031-744 Болт M5х95
37 N000-022-557 Шайба пружинная D5
39 V000-007-575 Конденсатор 30мкФ 450В 557 р.
40 N000-018-202 Шайба-гровер D8
41 N000-031-745 Труба выпускная 331 р.
43 N000-031-746 Рессивер 6л
44 N000-031-747 Гайка M5 с фланцем
45 N000-031-748 Ножка резиновая 59 р.
47 N000-031-749 Кран слива конденсата 218 р.
49 N000-031-750 Трубка выпускная D6х168 38 р.
50 N000-031-751 Клапан предохранительный 169 р.
52 N000-031-752 Муфта быстроразъемная 1/4″ 429 р.
53 N000-031-753 Клапан обратный 531 р.
54 N000-031-754 Коннектор R1/4 55 р.
55 N000-031-755 Манометр 14bar (D53 1/4″ папа резьба сзади) 376 р.
56 N000-031-756 Реле давления 6-8bar 4 hole 1/4 917 р.
Найдено товаров: 48
1
▲ Наверх
0
8 (925) 663-83-63

Call-центр

пн-вс: 10:00-19:00

НАЙТИ ПО МОДЕЛИ
Введите номер заказа
Введите номер своего заказа, что бы узнать его текущий статус.
Что бы получить доступ к расширенным функциям, пройдите не сложную регистрацию. Зарегистрироваться